南北仪器专业提供实验室仪器设备一站式解决方案
ABQ 钮扣测试仪
一、 简介:
ABQ钮扣测试仪,可配置NK、HF推拉力计和zhuan用夹具,zhuan用于测量钮扣的扣合力或脱离衣物破坏力。检测钮扣、按钮等固定强度是很重要的一项标准,尤其是在婴儿和儿童服装设计及制造中Z为重要。在钮扣固定装饰件上使用一定力的测量需要通过力度仪器来记录。
二、 目的:
ABQ钮扣测试仪的测试目的是界定成衣制造商的责任以保证钮扣、按钮及固定件能适当地固定在成衣上,防止钮扣等脱离成衣,造成婴儿有机会吞服的危险。故此,suo有成衣上的钮扣、按钮及固定装饰件(可整个放入小型物件测量器)均需通过钮扣测试仪的检测。
三、 意义及作用:
1、 此仪器的测试方法用作量度对钮扣及衣物进行垂直拉力测试的力度,而钮扣及按钮并不拉扯至脱离衣物。
2、 此方法所要求钮扣缝纫规格应该按照钮扣制造商所定的标准。
3、 此测试方法用于建立不同穿着环境的关连性,以及对不同钮的各类和品牌作出比较。
4、 此标准可能包含危险物料,操作及仪器,而标准内没有列出suo有可能在使用上出现的安全问题。故此标准的使用者责任建立有关的安全和建康的规则,以及在使用前决定适当的规条。
5、 suo有钮扣都需要用锁链针步缝紧在布料上。
6、 按照测试要求,当Z大的钮扣尺寸是大于6mm或小于/等于6mm,钮扣就改须能分别承受90N有50N的拉力。
四、 仪器介绍:
1、 仪器的机座(如下图所示):


· 机台底座大,稳定性好,适合室内桌上测试使用。
· 螺杆传动,测头位移精确,侧面手轮加载,操作简单稳定。
· 底座标准配置的移动平台,可实现左右、前后移动,方便准确装夹。
· 可将本机台安装于桌(台)上使用,使机架更加 稳固。
· 长×宽×高:260mm×360mm×700mm。
· 行程:180mm。
· 额定负荷:500N。
·净重:约20kg。
2、 仪器的推拉力计:标准配置为指针式推拉力计NK—300
(也可配置数显式推拉力计HF—300,价格不同)
⑴ 指针式推拉力计
A、 型号:NK—300。
B、 Z大负荷:300N(30Kg)。
C、 推拉杆行程:10mm。
D、 工作温度:20℃±10℃。
E、 运输温度:-27℃~+70℃。
F、 相对湿度:15%~80%RH。
G、 工作环境:周围无震源及腐蚀性介质。
⑵ 数显式推拉力计
H、 型号:HF—300。
I、 Z大负荷:300N(Kg、N和ib三种单位可自动转换)。
J、 分辨率:0.01N。
K、 精度:±0.5%。
L、 输出接口:RS 232 九孔插座。
M、 电源:充电电源:220V/AC;电池连续工作时间:6~8小时。
N、 稳定性:温漂:0.2uV/℃(0~60℃);零漂:≤ 0.1%/8小时/FS。
O、 标定范围:满量程标定。
P、 环境温度:0~+60℃。
Q、 环境湿度:≤ 80%。
R、 允许过载:150%。
S、 供电方式:5 号镍氰电池组 /220V AC 充电 4~6 小时。
3、 仪器的上夹具:
A、 · 型号:AJJ-013。
· 适用范围:主要应用于钮扣、玩具等拉力测试。
· Z大负荷:500N。
B、 ·型号:AJJ-014。
· 适用范围:主要应用于钮扣、玩具等拉力测试。
· Z大负荷:500N。
4、 仪器的底座夹具:
· 型号:AJJ-015。
· 适用范围:主要应用于钮扣、玩具等拉力测试。
· Z大负荷:500N。
五、仪器的安装方法:
1、机座的安装方法:
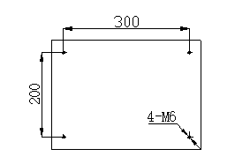
本仪器可安装在桌子上,使仪器更加稳固。安装时请保证工作台面水平,使测试得到准确的数值。安装时请参照(长×宽:300mm×200mm)安装。
2、推拉力计的安装方法:
A、用M4扳手将测力计安装板上4个M 4×15的内六角圆柱头螺钉松开,卸下测力计安装板;
B、安装HF系列(数显式推拉力计)的推拉力计时,用M4内六角扳手将附件袋里的4枚M4×10的内六角螺钉穿过测力计安装板上90×40 的孔旋入测力计4个M4的螺纹孔内,将测力计安 装到测力计安装板上;或用十字螺丝刀将附件 袋里的4枚M3×10的十字槽盘头螺钉穿过测力计内,将测力计安装到测力计安装板上。 安装板上145×30的孔旋入测力计4个M3的螺纹孔;
C、 安装NK系列(指针式推拉力计)的推拉力计时,用十字螺丝刀把推拉力计后盖上的4枚 M×10的螺钉卸下,将附件袋里的4枚M3×14的十字槽螺钉穿过测力计安装板上的145×30的安装孔, 旋入测力计后盖上的4个M3螺纹 孔(卸下M3×10的螺钉的螺纹孔);
D、 安装好推拉力计表后,用M4内六角扳手将测力计安装板重新安装到机架上面。
3、上夹具的安装方法:
将上夹具用附件中具有内螺纹连接钩,安装于推拉力计的测试杆上。
4、 底座夹具的安装方法:
用附件中的2颗M6螺钉与M6内六角板手,将底座夹具与机座接连牢固即可。
六、一般测试操作过程:
1、将附有按钮固定件的布料放入底座夹具上(放在带有凹形的压块下),保持钮扣面向上,推动推杆把手以夹稳布片(并确保面料已被压住)。
2、逆时针方向旋转上夹具,使其抓口张开。
3、若用HF系列(数显式推拉力计)的推拉力计时,打开电源,待液晶显示屏显示为零后即可。
4、安装NK系列(指针式推拉力计)的推拉力计时,按一下切换按钮,使指回到零位即可。
5、摇转机身的手轮,使其上夹具向下运动,并能够抓住钮扣。
6、摇转机身的手轮,使其向上运动。
七、日常保养与维护:
1、请勿超载使用,本仪器额定负荷为300N。
2、注意日常的保养工作,保持仪器各部件清洁。
3、在使用过程中仪器运行滞涩不灵活时,请向机台两侧轴承座上的加油孔内添加少许机油润滑。机台出现故障时请及时联系厂家或销售点(请勿擅自拆卸、修理)。