南北仪器专业提供实验室仪器设备一站式解决方案
功 能:
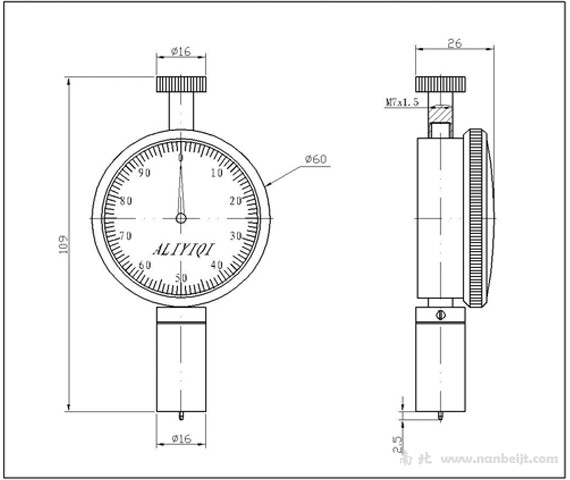
LX邵氏C型硬度计是测定压缩率为 50% 时应力为 0.5kg/c㎡ 以上的含有发泡济制成的橡塑微孔材料硬度,也可用于类似硬度的其他材料。
特 点:
针式指示,读数方便、准确、精度高
手持式设计,携带方便,可手持测量,也可安装在配套的测试架上测试
规格参数:
刻 度 盘 值: 0 ~ 100HC
压 针 行 程: 2.5 mm
推荐测量范围: 10 ~ 90HC
压针头部尺寸: SR 2.5 mm
重 量:~ 0.5 kg
结构图:
